 |
Ogólnopolski Klub Tempra Tipo Team
|
|
podłaczenie obrotka w dgt |
| Autor |
Wiadomość |
serek
witamy nowego

Wiek: 38 Dołączył: 12 Gru 2007 Posty: 7 Skąd: Markuszów
Województwo: Lubelskie
|
Wysłany: 04-03-2008, 12:02 podłaczenie obrotka w dgt
|
|
|
koledzy pomórzcie już drugi dzień męcze sie z podłaczeniem obrotomierza do mojej tempry mam deske digital czytalem na forum ze podłącza sie gdzieś do cewki zapłonowej tylko gdzie? mam silnik 1,6mpi i nie wiem w którym miejscu podpiąc przewód przy silniku i w który pin w desce błagam o pomoc bo juz nie mam pojecia dlaczego nie działa |
_________________ Miłośnicy fiata łączcie sie! |
|
|
|
 |
Hipo


Pomógł: 30 razy Wiek: 43 Dołączył: 30 Kwi 2007 Posty: 2082 Skąd: Jarosław
Województwo: Podkarpackie
|
Wysłany: 04-03-2008, 16:16
|
|
|
| No podłacza się do cewki ale nie na wysokie napięcie tylko do przewodu który steruje wyzwoleniem inpulsu, miejsce do podłączenia na desce znajdziesz w dokumentacji technicznej ( ksiazka do T/T) a konkretnie w schemacie elektrycznym. |
_________________ Marea 2.4 TD HLX
JCB 3CX Contraktor |
|
|
|
 |
serek
witamy nowego

Wiek: 38 Dołączył: 12 Gru 2007 Posty: 7 Skąd: Markuszów
Województwo: Lubelskie
|
Wysłany: 04-03-2008, 17:56
|
|
|
| Hipo a mozesz mi powiedzieć ktoy to przewód od impulsu? |
_________________ Miłośnicy fiata łączcie sie! |
|
|
|
 |
Wieprz

Pomógł: 23 razy Dołączył: 18 Lut 2008 Posty: 444 Skąd: Kędzierzyn-Koźle
Województwo: Opolskie
|
Wysłany: 04-03-2008, 19:10
|
|
|
Kolega Hipo chyba już nie ma TT, więc nie wiem, czy Ci może aż tak dokładnie pomóc.
Ale, jak już wspomniał, zajrzyj albo do książki TT (w Download), albo do schematów, też w Download.
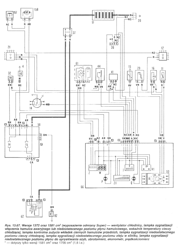
Tutaj zapodaję Ci 2 schematy. Cyfrowa deska DGT to numer "66", a obrotomierz to oznaczenie "Z1":
http://www.tempra.org/uploads/instal022.jpg
http://www.tempra.org/uploads/instal025.jpg
Może Ci to pomoże. |
_________________ Talbot Horizon -> Skoda Felicia -> Fiat Ritmo -> Talbot Horizon -> Fiat Tempra SW Liberty HSD, 1.6 MPI, 90KM 127Nm, Pb/LPG |
|
|
|
 |
Hipo


Pomógł: 30 razy Wiek: 43 Dołączył: 30 Kwi 2007 Posty: 2082 Skąd: Jarosław
Województwo: Podkarpackie
|
Wysłany: 07-03-2008, 21:16
|
|
|
Tipka już nie mam, natomiast to nie stanowi akurat problemu, o analogu moglibyśmy porozmawiać ale digitala nigdy nie lubiłem
Dlatego tez nic o nim nie wiem |
_________________ Marea 2.4 TD HLX
JCB 3CX Contraktor |
|
|
|
 |
|
|
Nie możesz pisać nowych tematów Nie możesz odpowiadać w tematach Nie możesz zmieniać swoich postów Nie możesz usuwać swoich postów Nie możesz głosować w ankietach Nie możesz załączać plików na tym forum Nie możesz ściągać załączników na tym forum
|
Wersja do druku
|
© 2004-2011 by tempra.org & Fiat Klub Polska
Wypowiedzi oraz zdjęcia należą do ich autorów. Nie odpowiadamy za ich treść. Zabrania się kopiowania zdjęć, treści oraz plików zawartych na tej stronie bez zgody administracji.
|